这款紧凑型高性能风扇加热器集合了多种先进功能于一体,它能够有效地防止在包含电气/电子元件的外壳内部发生冷凝现象和霜冻形成。通过智能温控技术,它可以监测并调节内部环境温度,确保空气温度均匀分布,从而为敏感的电气和电子元件提供恒定、适宜的工作环境。
该设备采用高效轴流风扇设计,能强力驱动空气循环,迅速驱散湿气并均匀传热,无论电气柜内部空间大小或结构如何复杂,都能达到理想的防潮及保温效果。同时,其紧凑的体积也使得安装更为便捷,适应各类有限空间的应用场景,极大地保障了电气系统的稳定性和持久性,降低了由于湿度变化和低温导致的故障风险,提升整体运行效能与安全性。
| 发热元件 | 高性能筒状体 |
| 温度安全保护 | 保护过热引起的风扇不工作,自动启动 |
| 加热器主体 | 铸铝 |
| 连接 | 3极,螺丝链接2.5m㎡,夹紧力矩最大0.8Nm |
| 接线盒 | 黑色塑料,UL94V-0 |
| 安装 | 35mm导轨安装,EN60715 |
| 安装方式 | 垂直空气流动(出风向上) |
| 操作/贮存温度 | -45°C~+70°C(-49°F~+158°F) |
| 操作/贮存湿度 | 最大90%RH |
| 防护等级 | IP20(接地) |
| 轴流风机,滚珠 | 25°C(77°F)温度下寿命50,000小时 |
| 轴流风机,接线 | 2极,螺丝连接 2.5m㎡(L2/N2) |
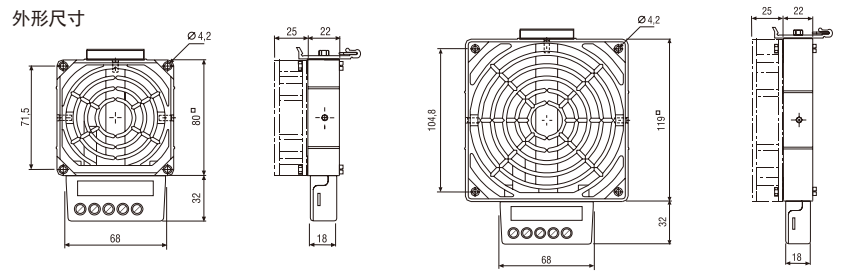
风机尺寸图

| 型号 | 订货号 |
| JRQFM100BA | 2020.010 |
| JRQFM150BA | 2020.011 |
| JRQFM200BA | 2020.012 |
| JRQFM300BA | 2020.013 |