电机笼型电容器结构外转子电机
叶轮金属一次性注塑
温度和湿度范围:-40°C~+80°C(温度)0%-95%(湿度)
耐受电压AC 1800V , 1 min at 0.5mA,50 / 60 Hz
绝缘等级设计符合IEC61858 F级
| 型号 | 310FLW4 | 310FLW5 |
| 电机 | M2E10201-AF | M2D10201-AF |
| 电压(伏) | 220 | 380 |
| 频率(赫兹) | 50/60 | 50/60 |
| 电流(安) | 0.50/0.65 | 0.40/0.47 |
| 功率(瓦) | 110/150 | 136/137 |
| 转速(转/分) | 1360/1540 | 1380/1540 |
| 风量(立方米/分) | 35.4/39.5 | 35.4/39.5 |
| 噪音(分贝) | 70 | |
| 重量(公斤) | 3.8 | |
| 相数 | 单相 | 单相/三相 |
| 静压(帕) | 700/750 | 700/750 |
| 电容 | 3μF/450V | — |
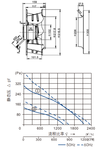
风机尺寸图

| 型号 | 订货号 |
| 310FLW4 | 2019.015 |
| 310FLW5 | 2019.016 |