电机笼型电容器结构外转子电机
铝制叶轮
温度和湿度范围:-40°C~+120°C(温度)0%-95%(湿度)
耐受电压AC 1800V , 1 min at 0.5mA,50 / 60 Hz
绝缘等级设计符合IEC61858 F级
| 型号 | 280FLW2 | 280FLW3 |
| 电机 | M2E09205-AF | M2D09205-AF |
| 电压(伏) | 220 | 380 |
| 频率(赫兹) | 50/60 | 50/60 |
| 电流(安) | 1.03/1.30 | 0.54/0.65 |
| 功率(瓦) | 230/305 | 228/300 |
| 转速(转/分) | 2550/2750 | 2580/2800 |
| 风量(立方米/分) | 33.2/35.2 | 33.5/35.5 |
| 噪音(分贝) | 72/75 | |
| 重量(公斤) | 3.2 | |
| 相数 | 单相 | 单相/三相 |
| 静压(帕) | 700/750 | 700/750 |
| 电容 | 8μF/450V | — |
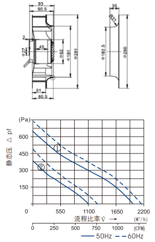
风机尺寸图

| 型号 | 订货号 |
| 280FLW2 | 2019.013 |
| 280FLW3 | 2019.014 |