电机笼式电容器结构外转子电机
叶轮黑色PA尼龙一次性注塑
温度和湿度范围:-40°C~+80°C(温度)0%-95%(湿度)
耐受电压AC 1800V , 1 min at 0.5mA,50 / 60 Hz
绝缘等级设计符合IEC61858 F级
| 型号 | 190FLW2 | 190FLW3 |
| 电机 | M2E09201-AF | M2D09201-AF |
| 电压(伏) | 220 | 380 |
| 频率(赫兹) | 50/60 | 50 |
| 电流(安) | 0.24/0.3 | 0.50 |
| 功率(瓦) | 56/71 | 160 |
| 转速(转/分) | 2450 | 2600 |
| 风量(立方米/分) | 9.5 | 19.5 |
| 噪音(分贝) | 64 | 71 |
| 重量(公斤) | 1.27 | 2.4 |
| 相数 | 1 | 1 |
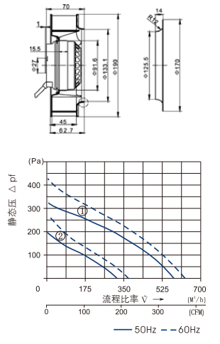
| 静压(帕) | 325 | 520 |
| 电容 | 4.0/450VDB | — |
风机尺寸图

| 型号 | 订货号 |
| 190FLW2 | 2019.005 |
| 190FLW3 | 2019.006 |